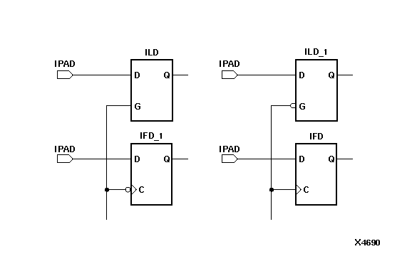
Figure 6.21 Legal Combinations of IFD and ILD for a Single Device Edge of an XC3000 IOB

Legal Combinations of IFD and ILD for a Single Device Edge of an XC3000 IOB figures/x4690n.gif