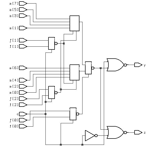
Figure 8.15 Circuit Schematic with One-Array Index